DeWALT Części zamienne do DW275K.
- Wszystkie Części zamienne do DeWALT DW275K.
Masz pytania? Skieruj je do opiekuna produktu
Zapytaj o produkt
Jak kupować części zamienne DeWALT:
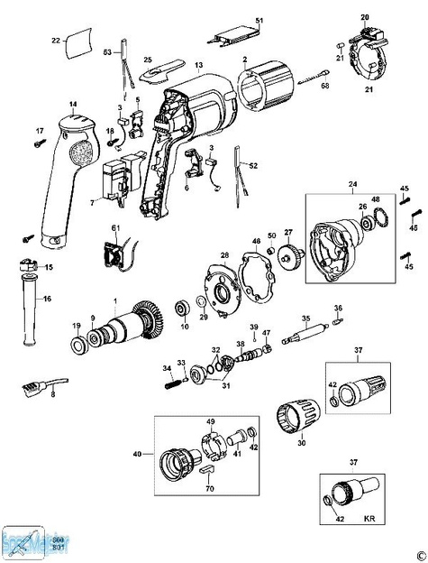
1) Znajdź na schemacie numer szukanej części zamiennej (opis każdego numerku znajduje się w tabeli poniżej).
2) Skontaktuj się z nami i ustal cenę oraz termin dostawy / (podana cena to koszty wysyłki kurierskiej).
3) Opłać zamówienie i oczekuj kuriera.
Tabela z oznaczeniami

Napisz swoją opinię




