DeWALT Części zamienne do DW777.
- Wszystkie Części zamienne do DeWALT DW777.
Masz pytania? Skieruj je do opiekuna produktu
Zapytaj o produkt
Jak kupować części zamienne DeWALT:
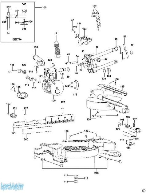
1) Znajdź na schemacie numer szukanej części zamiennej (opis każdego numerku znajduje się w tabeli poniżej).
2) Skontaktuj się z nami i ustal cenę oraz termin dostawy / (podana cena to koszty wysyłki kurierskiej).
3) Opłać zamówienie i oczekuj kuriera.
Tabela z oznaczeniami

Opinie o DeWALT Części zamienne do DW777.
5.00
Liczba wystawionych opinii: 1
51
40
30
20
10
Kliknij ocenę aby filtrować opinie
Napisz swoją opinię





